EXPAND YOUR COBOT'S WORKING AREA
OMNIDIRECTIONAL MOVEMENT
REMOTE TURN ON/OFF

Autonomous Mobile Manipulator designed for indoor applications
RB-KAIROS+ GOFA is an Autonomous Mobile Manipulator designed for industrial applications in indoor environments that require flexibility, precision, and automation over large work areas. This solution combines the RB-KAIROS mobile platform from Robotnik with the GoFa CRB 15000 collaborative robotic arms from ABB, integrating advanced manipulation and autonomous navigation into a single system.
Depending on the reach and payload requirements, the system can be configured with different arm versions: GoFa 5, GoFa 10, or GoFa 12, adapting to multiple industrial needs and improving productivity in industrial or logistics environments.
RB-KAIROS+ GOFA is especially suited for applications such as pick and place, material transport, logistics and intralogistics, machine feeding, quality control, metrology, packaging, or process tasks such as cleaning, polishing, screwing, or drilling.
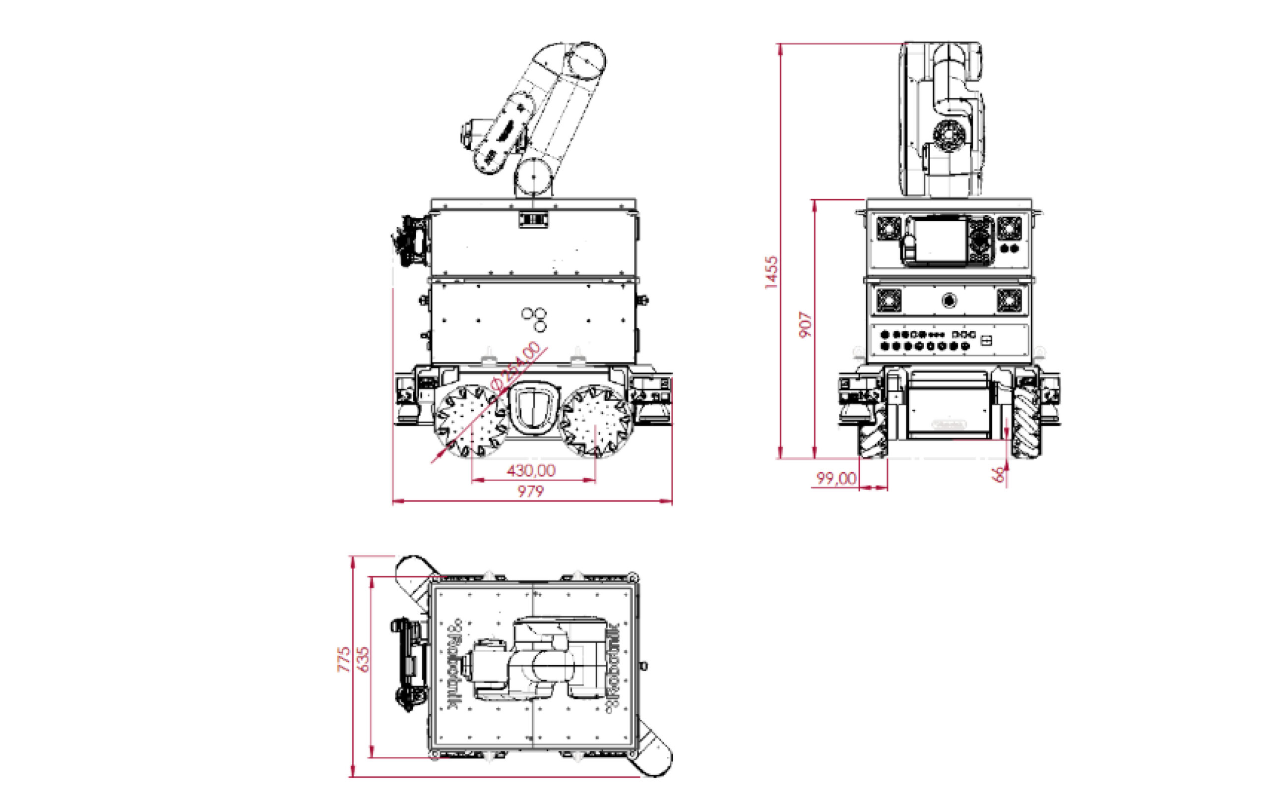
The mobile platform features a robust steel structure capable of carrying up to 125 kg and omnidirectional kinematics based on four high-power motors, optimizing movement and maneuvering precision.
The system provides autonomous navigation and can move to predefined positions, perform relative movements, or automatically dock at charging stations or reference points. Its open architecture, based on ROS, facilitates the integration of sensors, peripherals, and custom developments.
ARM OPTIONS
GOFA 5
Payload: 5 kg
Reach: 950 mm
GOFA 10
Payload: 10 kg
Reach: 1.520 mm
GOFA 12
Payload: 12 kg
Reach: 1.270 mm
TECHNICAL SPECIFICATIONS
AUTONOMY
Up to 8 h.
SPEED
Up to 1,0 m/s
COMMUNICATION
WiFi 802.11 b/g/n/ac
Bluetooth 4.0
ENVIRONMENTS
Indoor / IP52
COMPONENTS
INCLUDED
- CPU i7
- Battery UN38.3 - 48V@58Ah
- 5G Router
- IMU
- RGBD camera
- Safety Pack 360º
- 2D safety LiDARs + safety PLC
- Mecanum omnidirectional wheels
- Payload: 100 kg
- Estación de carga
OPTIONAL
- 3D SLAM Software packages
- AI Computing Vision Package
- ZED camera and GPU
APPLICATIONS
PICK & PLACE
METROLOGY
PART FEEDING
INDUSTRIAL APPLICATIONS
R&D

Curso gratis: Cómo manejar los Manipuladores Móviles con ROS
Con la compra de un RB-KAIROS+ te regalamos una licencia anual en la academia online The Construct.
Robotnik’s Software
Robotnik delivers intelligent, scalable and field-proven software solutions for our mobile robots and manipulators. Our software ecosystem combines advanced, ROS-native tools designed to enhance the performance, safety and autonomy of mobile platforms operating both indoors and outdoors.
Built on a modular, scalable architecture fully compatible with ROS 2, our solutions enable fast integration and long-term reliability. The suite includes modules for localization, navigation, perception, manipulation and fleet management, supported by systems such as Robot Local Control (RLC), Command Manager and an intuitive web-based HMI.
Here you can find more information about Robotnik’s software.













