FIABILIDAD
NAVEGACIÓN LIBRE
PRECISIÓN
FUNCIONES INTELIGENTES

Redefiniendo la inspección industrial
RB-WATCHER es el robot de inspección autónomo desarrollado por Robotnik para optimizar las tareas de inspección y seguridad en entornos industriales, tanto en interior como en exterior. Diseñado para operar de forma segura, eficiente y continua, este sistema robótico permite detectar y prevenir anomalías en activos críticos mediante un conjunto de sensores avanzados de visión, detección térmica y navegación de alta precisión. Gracias a esta tecnología, el robot puede realizar inspecciones térmicas, reconocimiento visual inteligente, detección de personas o vehículos y patrullas autónomas, garantizando un control constante de las infraestructuras y una mejora significativa en la eficiencia operativa.
RB-WATCHER incorpora módulos avanzados de Inteligencia Artificial y reconocimiento visual que analizan las imágenes en tiempo real, identifican elementos previamente entrenados, aplican filtros de privacidad y generan alertas automáticas ante cualquier desviación o riesgo detectado. Esto permite un nivel de análisis profundo y continuo, mejorando la fiabilidad de las inspecciones y contribuyendo a la toma de decisiones basada en datos.
El sistema incluye una Interfaz de Usuario (HMI) desarrollada por Robotnik que facilita una gestión intuitiva y ágil del robot. A través de cualquier navegador web conectado a la misma red, los usuarios pueden acceder a las distintas funciones del HMI para crear y editar mapas, definir zonas clave, programar misiones autónomas, supervisar en tiempo real o controlar el robot de forma remota. Además, permite gestionar distintos niveles de acceso y permisos según el perfil del usuario, garantizando un control seguro y eficiente de las operaciones.
Especificaciones técnicas
MECÁNICAS
- Dimensiones: 736 x 614 x 894 mm
- Peso: 73 kg
- Capacidad de carga: Hasta 50 kg
- Velocidad: 2,5 m/s
- Entorno: Interior / Exterior
- Protección: IP54
- Autonomía: Hasta 5 h
- Motores de tracción: 4 x 500W con freno
- Sistema de tracción: Skid steering
- Sistema de localización: SLAM
- Rango de temperatura -10º C hasta +45º C
- Pendiente máxima: 80%
COMUNICACIÓN
- WiFi 802.11 b/g/n/ac
- Bluetooth 4.0
CONECTIVIDAD
- USB x1
- Ethernet x1
Componentes
INCLUIDOS
- Router 5G
- GPS
- Cámara RGBD
- LIDAR 3D
- Baliza de iluminación LED 360º
- Micrófono IP65
- Altavoces IP65
- Cámara Bi-espectral Pan-Tilt-Zoom
- Paquetes de inspección
- Batería UN38.3 - 48VDC@15Ah
- Estación de carga
Planos

Aplicaciones
Patrullaje autónomo
Detección de personas / vehículos
Recolección de datos
Inspección térmica
Casos de éxito

Mayor movilidad y autonomía para inspección y seguridad.
RB-WATCHER XL es una versión del robot de inspección y seguridad de Robotnik, desarrollada para satisfacer las necesidades de entornos o aplicaciones que, por su naturaleza, requieren mayor autonomía, robustez y movilidad. Sus principales diferencias con respecto al RB-WATCHER radican en un chasis de mayores dimensiones y ruedas todoterreno, que le permiten superar obstáculos de hasta 14 cm, ofreciendo una movilidad y estabilidad superiores incluso en terrenos irregulares.
Uno de sus principales valores añadidos es la autonomía extendida, gracias al control remoto de alimentación y a la batería de intercambio rápido (Easy Swap), que facilitan un funcionamiento continuo y reducen los tiempos de inactividad. Además, integra de forma nativa altavoces, micrófono y luces LED, optimizando las operaciones de campo.
El RB-WATCHER XL es totalmente flexible, con arquitectura basada en ROS 2, facilitando la integración de nuevos módulos, sensores o cámaras adicionales. Opcionalmente, dispone de paquetes de IA + visión 360º para detección y seguimiento de personas, reconstrucción 3D o estimación de trayectorias, así como un paquete de navegación 3D para terrenos más complejos.
Con su diseño optimizado para el mantenimiento, actualización e integración de nuevos componentes, el RB-WATCHER XL se posiciona como un robot de inspección altamente modular y versátil para aplicaciones en entornos exigentes.
Especificaciones técnicas
MECÁNICAS
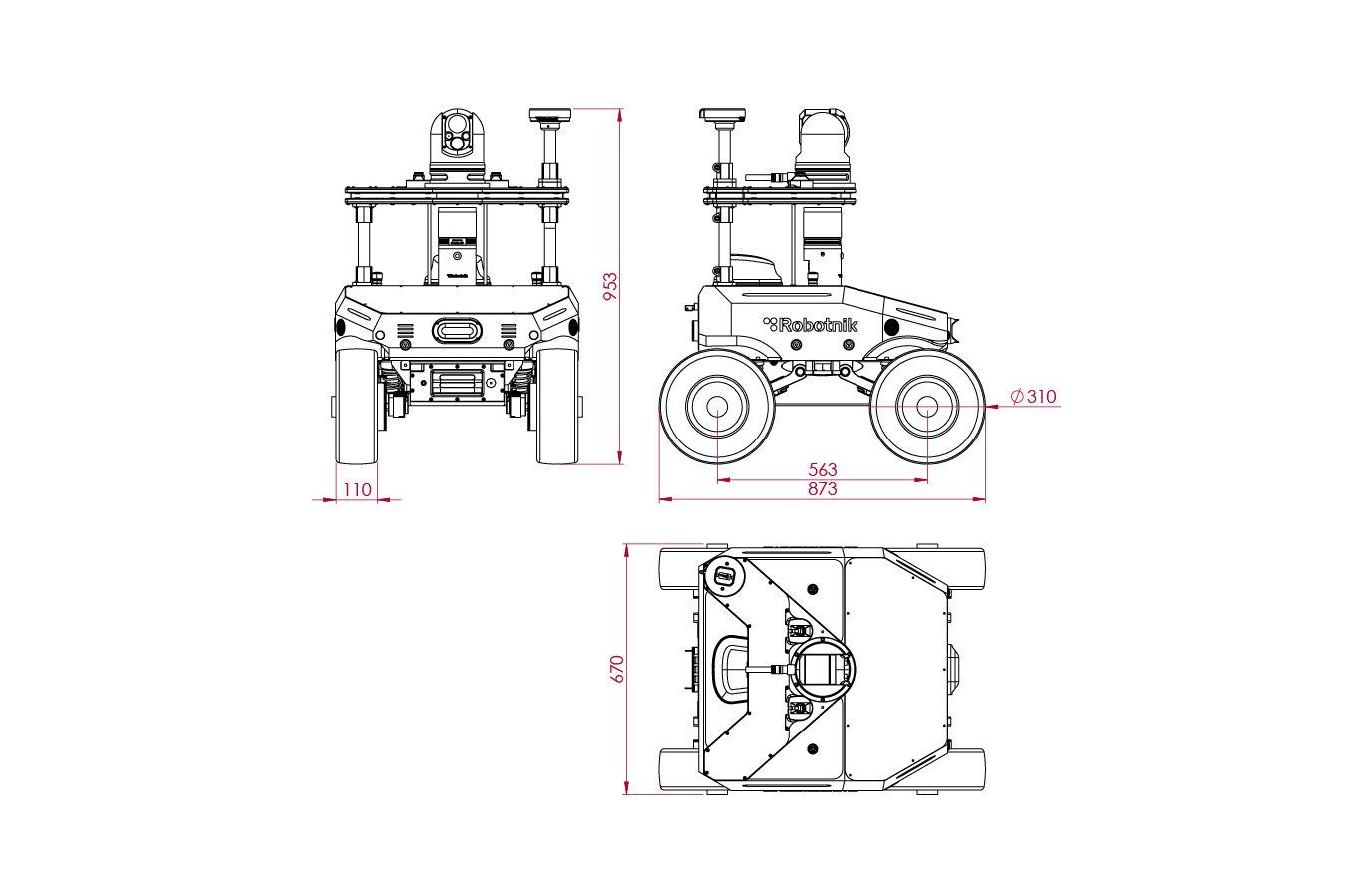
- Dimensiones: 873 x 670 x 953 mm
- Peso: 75 kg
- Capacidad de carga: Hasta 40 kg
- Velocidad: 1,5 m/s
- Entorno: Interior / Exterior
- Protección: IP55
- Autonomía: Hasta 10 h
- Motores de tracción: 4 x 800W
- Sistema de tracción: Skid steering
- Sistema de localización: 5G - GPS
- Rango de temperatura -10º C hasta +45º C
- Pendiente máxima: 50%
COMUNICACIÓN
- WiFi 802.11 b/g/n/ac
- Bluetooth 4.0
CONECTIVIDAD
- USB x1
- Ethernet x1
- Salidas de potencia
- 5V
- 12V
- VBAT
Componentes
INCLUIDOS
- Router 5G
- GPS
- Cámara RGBD
- LIDAR 3D
- Baliza luminosa 360 LED
- Micrófono IP65
- Altavoces IP65
- Cámara biespectral Pan-Tilt-Zoom
- Paquetes de inspección
- Batería UN38.3 - 48VDC@29Ah
- Estación de carga
Planos

Aplicaciones
Patrullaje autónomo
Detección de personas / vehículos
Recolección de datos
Inspección térmica

Redefiniendo la inspección industrial
RB-WATCHER es el robot de inspección autónomo desarrollado por Robotnik para optimizar las tareas de inspección y seguridad en entornos industriales, tanto en interior como en exterior. Diseñado para operar de forma segura, eficiente y continua, este sistema robótico permite detectar y prevenir anomalías en activos críticos mediante un conjunto de sensores avanzados de visión, detección térmica y navegación de alta precisión. Gracias a esta tecnología, el robot puede realizar inspecciones térmicas, reconocimiento visual inteligente, detección de personas o vehículos y patrullas autónomas, garantizando un control constante de las infraestructuras y una mejora significativa en la eficiencia operativa.
RB-WATCHER incorpora módulos avanzados de Inteligencia Artificial y reconocimiento visual que analizan las imágenes en tiempo real, identifican elementos previamente entrenados, aplican filtros de privacidad y generan alertas automáticas ante cualquier desviación o riesgo detectado. Esto permite un nivel de análisis profundo y continuo, mejorando la fiabilidad de las inspecciones y contribuyendo a la toma de decisiones basada en datos.
El sistema incluye una Interfaz de Usuario (HMI) desarrollada por Robotnik que facilita una gestión intuitiva y ágil del robot. A través de cualquier navegador web conectado a la misma red, los usuarios pueden acceder a las distintas funciones del HMI para crear y editar mapas, definir zonas clave, programar misiones autónomas, supervisar en tiempo real o controlar el robot de forma remota. Además, permite gestionar distintos niveles de acceso y permisos según el perfil del usuario, garantizando un control seguro y eficiente de las operaciones.
MECÁNICAS
- Dimensiones: 736 x 614 x 894 mm
- Peso: 73 kg
- Capacidad de carga: Hasta 50 kg
- Velocidad: 2,5 m/s
- Entorno: Interior / Exterior
- Protección: IP54
- Autonomía: Hasta 5 h
- Motores de tracción: 4 x 500W con freno
- Sistema de tracción: Skid steering
- Sistema de localización: SLAM
- Rango de temperatura -10º C hasta +45º C
- Pendiente máxima: 80%
COMUNICACIÓN
- WiFi 802.11 b/g/n/ac
- Bluetooth 4.0
CONECTIVIDAD
- USB x1
- Ethernet x1
INCLUIDOS
- Router 5G
- GPS
- Cámara RGBD
- LIDAR 3D
- Baliza de iluminación LED 360º
- Micrófono IP65
- Altavoces IP65
- Cámara Bi-espectral Pan-Tilt-Zoom
- Paquetes de inspección
- Batería UN38.3 - 48VDC@15Ah
- Estación de carga

























